Overview
The high-precision HSTA 750 series 3/4 inch (19 mm) diameter, AC controlled LVDTs launched by Macro Sensors are widely used in various position measurements. This series of sensors is solid, sealed, and completely made of stainless steel, which can be used at higher temperatures (400 ℉). In order to resist various harsh environments, the coil winding is sealed and packaged to reach the protection level of IEC IP-68. The electrical connection passes through a sealed axial joint. Butt plugs are supplied with the product.
The range of HSTA 750 series sensors ranges from ± 1.25 mm (± 0.050 inch) to ± 250.0 mm (± 10.00 inch). It has the characteristics of high resolution, good repeatability and low hysteresis of LVDT technology, as well as high sensitivity corresponding to good linearity. The maximum linear error of all such sensors is ± 0.25% of the full range output using the straight line generated by the least squares method in statistics.
Macro Sensors can provide a variety of standard options, which can be customized, including: Teflon ® Core liners and metric threaded cores, as well as smaller diameter and mass cores, allow the user to customize the HSTA 750 LVDT. In addition, Macro Sensors also provide a variety of installation accessories and iron core extension rods. The HSTA series can also be exposed to light radiation (3 × 107 rad). HSTA 750 series can also be customized according to special requirements, so that it can be immersed in pressurized liquid.
All HSTA 750 series LVDTs can be used with any conventional differential input LVDT signal conditioning device, but are not recommended for use with ratiometric LVDT signal conditioning device instruments. Macro Sensors provides a full range of LVDT signal conditioning devices, which can play the performance of any HSTA 750 series LVDT.
Features
Operating temperature: 400 ℉ (200 ℃) High temperature resistance
Radial connector, paired plug
The sensor seal reaches the protection level of IEC IP-68
Non linear (full scale output): <± 0.25% FRO
Range: ± 1.25 mm to ± 50 mm (± 0.050 inch to ± 2.00 inch)
Applications
Beam scraper position feedback
Hydraulic cylinder positioning
Steam valve positioning
Power generation application
Other applications in harsh environments
Specifications
Power supply: 3.0 Vrms (rated)
Input frequency: 2.5 to 3.0 kHz
Linear error (full scale output):<± 0.25% ofFRO
Repetition error:<0.01% of FSO
Hysteresis error:<0.01% of FSO
Operating temperature: - 55 ℃ to+200 ℃
Temperature coefficient: -0.02%/℃ (rated)
Vibration resistance limit: 196 m/s, 2 kHz
Impact resistance: 980 m/s, 11 ms
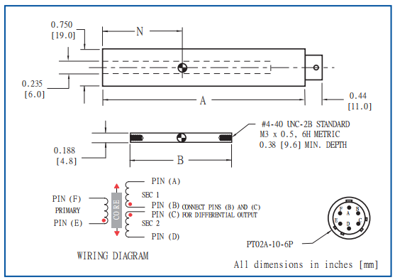
Dimensions and Wiring

Model selection

UNIVO specializes in providing various basic sensors, including position, pressure, liquid level, force, weighing, torque, angle, inclination, level, temperature, humidity, speed, gas detection sensors, etc; And products for special environmental applications, including pressure sensors for hydrogen system applications, hydrogen leakage detection sensors, position sensors for nuclear power system applications, pressure and speed sensors, etc. Welcome to call 010-51294688 and pay attention to the official account: UNIVO