Product Detail
Share to:

ELM-4000系列专为医疗应用设计的TE血氧传感器

Brand: TE
Model: ELM-4000
Overview: ELM-4000系列发射器组件专为医疗应用设计,其中峰值波长的选择是关键要求。发射源材料与GaAlAs结合, 带透明环氧透镜的GaAIP。
Consulting service: 请拨打优利威客服电话获取详细资料和专业服务
产品详情


   概况   


ELM-4000系列发射器组件专为医疗应用设计,其中峰值波长的选择是关键要求。发射源材料与GaAlAs结合, 带透明环氧透镜的GaAIP。

   产品特性      应用   
低成本脉搏血氧仪
660nm±3 nm峰值波长耳/手指探头
两个红外波长可以选择一次性血氧仪
环氧树脂材质的镜头


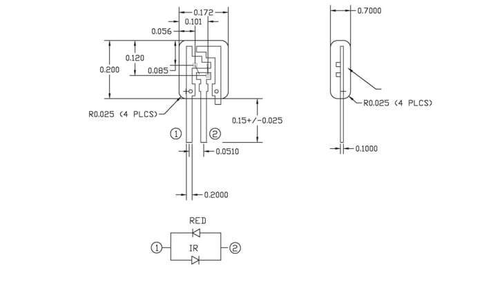
   尺寸   



15477101307371.png

规格和额定值



优利威提供专业传感器解决方案,欢迎咨询010-86464186 / 51294688 获取详细资料,或关注微信公众号:优利威

Official Account
Beijing Universe Technologies Co., Ltd
9-6-1405, Gucheng South Street, Shijingshan District, Beijing Tel: +86-10-86464186/51294688/13810717895
Email: info@univotec.com www.gsensors.com